 |
 |
|
 |
 |
Приводная техника

Вся продукция сертифицирована. Мы будем рады видеть Вас клиентом нашей компании.

|
|
 |
 |
 |
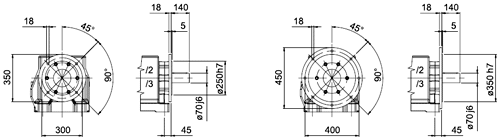
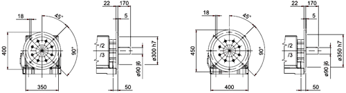
Соосно-цилиндрический мотор-редуктор SITI MNHL |
|
 |
 |
Соосно-цилиндрический мотор-редуктор SITI MNHL
| |

 |
Соосно-цилиндрический
мотор-редуктор SITI MNHL
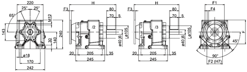
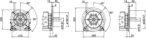
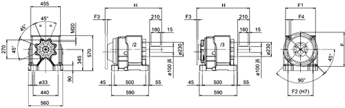
Соосно-цилиндрические мотор-редукторы “SITI” серии MNHL (крепление лапы) и серии MNHLF (крепление фланц) имеют двух- или трехступенчатое исполнение. Серия MNHL - это редукторы нового поколения, которые сочетают в себе легкость и компактность с высокими показателями нагрузочной способности и долговечности.
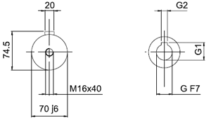
Соосно-цилиндрический
мотор-редуктор SITI MNHLF
комплектуется присоединительным
фланцем на выходе.
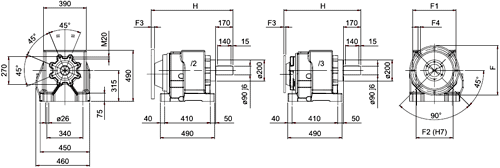
Мотор-редукторы MNHL имеют двухступенчатые или трехступенчатые варианты исполнения. В зависимости от
габарита, редукторы комплектуются
электродвигателями мощностью от 0,09
кВт до 90 кВт
Крутящий момент: от 34 Нм до 13300 Нм
Передаточное отношение: от 5:1 до 470:1
Типоразмеры мотор-редукторов: MNHL
25, MNHL 30, MNHL35, MNHL 40, MNHL
50, MNHL 60, MNHL 70, MNHL 90, MNHL
100.
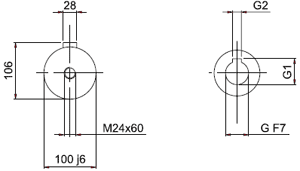
Тип мотор-редуктора |
Максимальный
крутящий момент Nm |
MNHL20 |
89 |
MNHL25 |
202 |
MNHL30 |
443 |
MNHL35 |
561 |
MNHL40 |
759 |
MNHL50 |
1518 |
MNHL60 |
2910 |
MNHL70 |
5060 |
MNHL90 |
7000 |
MNHL100 |
12000 |
|
| |
|
| |
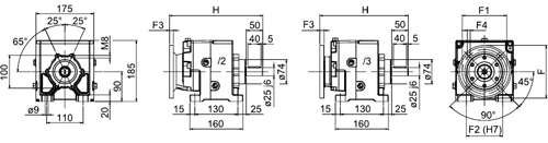
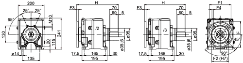
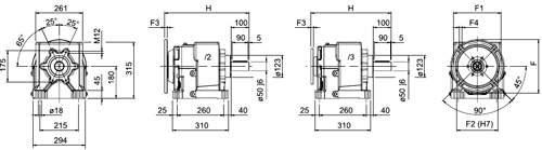
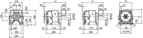
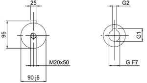
Мотор-редукторы MNHL 25



25/2 - 25/3
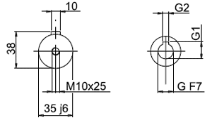
|
G |
G1 |
G2 |
F |
F1 |
F2 |
F3 |
F4 |
H |
/2....63 В5
/2F....63 B5 |
11 |
12,5 |
4 |
140 |
115 |
95 |
12 |
9
|
276 |
/2....71 В5
/2F....71 В5 |
14 |
16,3 |
5 |
160 |
130 |
110 |
10 |
9 |
282 |
/2....80 В5
/2F....80 В5 |
19 |
21,8
|
6 |
200 |
165 |
130 |
11 |
11 |
276 |
/2....90 В5
/2F....90 В5 |
24 |
27,3 |
8 |
200 |
165 |
130 |
11 |
11 |
276 |
/2....100-112 В5
/2F....100-112 В5 |
28 |
31,3 |
8 |
250 |
215 |
180 |
13 |
13 |
276 |
/3....56 В5
/3F....56 В5 |
9 |
10,4 |
3 |
120 |
100 |
80 |
8
|
7 |
269 |
/3....63 В5
/3F....63 В5 |
11 |
12,8 |
4 |
140 |
115 |
95
|
12 |
9 |
268 |
/3....71 В5
/3F....71 В5 |
14 |
16,3 |
5 |
160 |
130 |
110 |
10,5 |
9 |
267 |
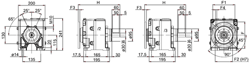
Мотор-редукторы MNHL 30



30/2-30/3 |
G |
G1 |
G2 |
F |
F1 |
F2 |
F3 |
F4 |
H |
/2....71 B5
/2F....71 B5 |
14 |
16,3 |
5 |
160 |
130 |
110 |
10 |
9 |
317 |
/2....80 B5
/2F....80 B5 |
19 |
21,8 |
6 |
200 |
165 |
130 |
11 |
11 |
311 |
/2....90 B5
/2F....90 B5 |
24 |
27,3 |
8 |
200 |
165 |
130 |
11 |
11 |
311 |
/2.... 100-112 B5
/2F.... 100-112 B5 |
28 |
31,3 |
8 |
250 |
215 |
180 |
13 |
13 |
311 |
/3....56 B5
/3F....56 B5 |
9 |
10,4 |
3 |
120 |
100 |
80 |
8 |
7 |
318 |
/3...63 B5
/3F....63 B5 |
11 |
12,8 |
4 |
140 |
115 |
95 |
12 |
9 |
317 |
/3....71 B5
/3F....71 B5 |
14 |
16,3 |
5 |
160 |
130 |
110 |
10,5 |
9 |
316 |
/3....80 B5
/3F....80 B5 |
19 |
21,8 |
6 |
200 |
165 |
130 |
10,5 |
11 |
300 |
Мотор-редукторы MNHL 35



35/2-35/3 |
G |
G1 |
G2 |
F |
F1 |
F2 |
F3 |
F4 |
H |
/2....71 B5
/2F....71 B5 |
14 |
16.3 |
5 |
160 |
130 |
110 |
10 |
9 |
332 |
/2....80 B5
/2F....80 B5 |
19 |
21.8 |
6 |
200 |
165 |
130 |
11 |
11 |
326 |
/2....90 B5
/2F....90 B5 |
24 |
27.3 |
8 |
200 |
165 |
130 |
11 |
11 |
326 |
/2....100-112 B5
/2F.... 100-112 B5 |
28 |
31.3 |
8 |
250 |
215 |
180 |
13 |
13 |
326 |
/2....132 B5
/2F.... 132 B5 |
38 |
41.3 |
10 |
300 |
265 |
230 |
15 |
14 |
342 |
/3.... 56 B5
/3F....56 B5 |
9 |
10.4 |
3 |
120 |
100 |
80 |
8 |
7 |
318 |
/3....63 B5
/3F....63 B5 |
11 |
12.8 |
4 |
140 |
115 |
95 |
12 |
9 |
317 |
/3....71 B5
/3F....71 B5 |
14 |
16.3 |
5 |
160 |
130 |
110 |
10.5 |
9 |
316 |
/3.... 80 B5
/3F....80 B5 |
19 |
21.8 |
6 |
200 |
165 |
130 |
10.5 |
11 |
316 |
Мотор-редукторы MNHL 40



40/2-40/3 |
G |
G1 |
G2 |
F |
F1 |
F2 |
F3 |
F4 |
H |
/2....80 B5
/2F....80 B5 |
19 |
21.8 |
6 |
200 |
165 |
130 |
15 |
11.5 |
392 |
/2....90 B5
/2F....90 B5 |
24 |
27.3 |
8 |
200 |
165 |
130 |
15 |
11.5 |
395 |
/2....100-112 B5
/2F....100 112-B5 |
28 |
31.3 |
8 |
250 |
215 |
180 |
15 |
14 |
395 |
/2....132 B5
/2F....132 B5 |
38 |
41.3 |
10 |
300 |
265 |
230 |
15 |
14 |
425 |
/3.. ..63 B5
/3F....63 85 |
11 |
12.8 |
4 |
140 |
115 |
95 |
12 |
9 |
379,5 |
/3....71 B5
/3F....71 85 |
14 |
16.3 |
5 |
160 |
130 |
110 |
10 |
9 |
385,5 |
/3....80 B5
/3F....80 B5 |
19 |
21.8 |
6 |
200 |
165 |
130 |
11 |
11 |
379,5 |
/3....90 B5
/3F....90 B5 |
24 |
27.3 |
8 |
200 |
165 |
130 |
11 |
11 |
379,5 |
Мотор-редукторы MNHL 50



50/2-50/3 |
G |
G1 |
G2 |
F |
F1 |
F2 |
F3 |
F4 |
H |
/2....90 B5
/2F....90 B5 |
24 |
27.3 |
8 |
200 |
165 |
130 |
15 |
11.5 |
467 |
/2....100-112-B5
/2F....100 112-B5 |
28 |
31.3 |
8 |
250 |
215 |
180 |
15 |
14 |
470 |
/2....132 B5
/2F....132 B5 |
38 |
41.3 |
10 |
300 |
265 |
230 |
15 |
14 |
470 |
/2....160 B5
/2F....160 B5 |
42 |
45.3 |
12 |
350 |
300 |
250 |
19 |
18 |
500 |
/3....63 B5
/3F....63 B5 |
11 |
12.5 |
4 |
140 |
115 |
95 |
7,5 |
9 |
447 |
/3....71 B5
/3F....71 B5 |
14 |
16.3 |
5 |
160 |
130 |
110 |
12 |
9 |
453 |
/3....80 B5
/3F....80 B5 |
19 |
21.8 |
6 |
200 |
165 |
130 |
13,5 |
11 |
447 |
/3....90 B5
/3F....90 B5 |
24 |
27.3 |
8 |
200 |
165 |
130 |
13,5 |
11 |
447 |
/3.... 100-112 B5
/3F.... 100-112 B5 |
28 |
31.3 |
8 |
250 |
215 |
180 |
16 |
13 |
450 |
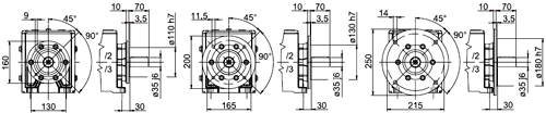
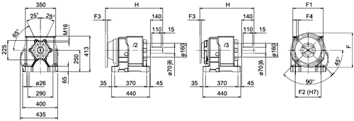
Мотор-редукторы MNHL 60



60/2-60/3 |
G |
G1 |
G2 |
F |
F1 |
F2 |
F3 |
F4 |
Н |
/2....100-112 B3
/2F....100 112 В3 |
28 |
31.3 |
8 |
250 |
215 |
180 |
25 |
М12 |
551 |
/2....132 В3
/2F....132 В3 |
38 |
41.3 |
10 |
300 |
265 |
230 |
25 |
М12 |
551 |
/2....160 В3
/2F....160 В3 |
42 |
45.3 |
12 |
350 |
300 |
250 |
25 |
17 |
551 |
/2....180 В3
/2F....180 В3 |
48 |
51.8 |
14 |
350 |
300 |
250 |
25 |
17 |
551 |
/2....200 В3
/2F....200 В3 |
55 |
59.3 |
16 |
400 |
350 |
300 |
25 |
18 |
551 |
/3...80 В3
/3F....80 В3 |
19 |
21.8 |
6 |
200 |
165 |
130 |
15 |
11.5 |
534 |
/3....90 В3
/3F....90 В3 |
24 |
27.3 |
8 |
200 |
165 |
130 |
15 |
11.5 |
534 |
/3....100-112 В3
/3F....100-112 В3 |
28 |
31.3 |
8 |
250 |
215 |
180 |
15 |
14 |
537 |
/3....132 В3
/3F....132 В3 |
38 |
41.3 |
10 |
300 |
265 |
230 |
15 |
14 |
537 |
Мотор-редукторы MNHL 70



70/2 -70/3 |
G |
G1 |
G2 |
F |
F1 |
F2 |
F3 |
F4 |
H |
/2....132 B5
/2F....132 B5 |
38 |
41.3 |
10 |
300 |
265 |
230 |
25 |
M12 |
658 |
/2....160 B5
/2F....160 B5 |
42 |
45.3 |
12 |
350 |
300 |
250 |
25 |
17 |
658 |
/2....180 B5
/2F....180 B5 |
48 |
51.8 |
14 |
350 |
300 |
250 |
25 |
17 |
658 |
/2....200 B5
/2F....200 B5 |
55 |
59.3 |
16 |
400 |
350 |
300 |
25 |
18 |
658 |
/2.. ..225 B5
/2F....225 B5 |
60 |
64.4 |
18 |
450 |
400 |
350 |
25 |
18 |
658 |
/3....90 B5
/3F....90 B5 |
24 |
27.3 |
8 |
200 |
165 |
130 |
15 |
11.5 |
609 |
/3....100 112 B5
/3F....100 112 B5 |
28 |
31.3 |
8 |
250 |
215 |
180 |
15 |
14 |
612 |
/3....132 B5
/3F....132 B5 |
38 |
41.3 |
10 |
300 |
265 |
230 |
15 |
14 |
612 |
/3....160 B5
/3F....160 B5 |
42 |
45.3 |
12 |
350 |
300 |
250 |
19 |
14 |
642 |
Мотор-редукторы MNHL 90



90/2 -90/3 |
G |
G1 |
G2 |
F |
F1 |
F2 |
F3 |
F4 |
H |
/2....132 B5
/2F....132 B5 |
38 |
41.3 |
10 |
300 |
265 |
230 |
25 |
M12 |
728 |
/2....160 B5
/2F....160 B5 |
42 |
45.3 |
12 |
350 |
300 |
250 |
25 |
17 |
728 |
/2....180 B5
/2F....180 B5 |
48 |
51.8 |
14 |
350 |
300 |
250 |
25 |
17 |
728 |
/2....200 B5
/2F....200 B5 |
55 |
59.3 |
16 |
400 |
350 |
300 |
25 |
18 |
728 |
/2.. ..225 B5
/2F....225 B5 |
60 |
64.4 |
18 |
450 |
400 |
350 |
25 |
18 |
775
|
/2.. ..250 B5
/2F....250 B5 |
65 |
69.4 |
18 |
550 |
500 |
450 |
25 |
19 |
775 |
/3....100-112 B5
/3F....100-112 B5 |
28 |
31.3 |
8 |
250 |
215 |
180 |
25 |
M12 |
730
|
/3....132 B5
/3F....132 B5 |
38 |
41.3 |
10 |
300 |
265 |
230 |
25 |
M12 |
730
|
/3....160 B5
/3F....160 B5 |
42 |
45.3 |
12 |
350 |
300 |
250 |
25
|
17 |
730
|
/3....180 B5
/3F....180 B5 |
48 |
51.8 |
14 |
350 |
300 |
250 |
25
|
17 |
730
|
Мотор-редукторы MNHL 100



100/2 -100/3 |
G |
G1 |
G2 |
F |
F1 |
F2 |
F3 |
F4 |
H |
/2....132 B5
/2F....132 B5 |
38 |
41.3 |
10 |
300 |
265 |
230 |
25 |
M12 |
815 |
/2....160 B5
/2F....160 B5 |
42 |
45.3 |
12 |
350 |
300 |
250 |
25 |
17 |
865 |
/2....180 B5
/2F....180 B5 |
48 |
51.8 |
14 |
350 |
300 |
250 |
25 |
17 |
865 |
/2....200 B5
/2F....200 B5 |
55 |
59.3 |
16 |
400 |
350 |
300 |
25 |
18 |
905
|
/2.. ..225 B5
/2F....225 B5 |
60 |
64.4 |
18 |
450 |
400 |
350 |
25 |
18 |
905
|
/2.. ..250 B5
/2F....250 B5 |
65 |
69.4 |
18 |
550 |
500 |
450 |
25 |
19 |
905
|
/3....132 B5
/3F....132 B5 |
38 |
41.3 |
10 |
300 |
265 |
230 |
25 |
M12 |
779
|
/3....160 B5
/3F....160 B5 |
42 |
45.3 |
12 |
350 |
300 |
250 |
25
|
17 |
819
|
/3....180 B5
/3F....180 B5 |
48 |
51.8 |
14 |
350 |
300 |
250 |
25
|
17 |
819
|
/3....200 B5
/3F....200 B5 |
55
|
59.3 |
16 |
400 |
350 |
300 |
25
|
18 |
859
|
/3....225 B5
/3F....225 B5 |
60
|
64.4 |
18 |
450 |
400 |
350 |
25
|
18 |
859
|
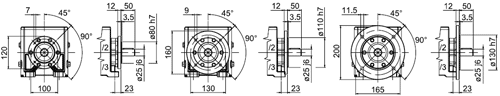
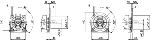
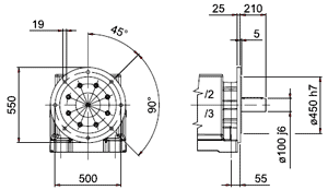
Монтажные позиции

|
Приводная техника (мотор-редукторы, преобразователи частоты и устройства плавного пуска) отправляется покупателю транспортной компанией. По всем вопросам обращаться в офис.
Мы всегда рады видеть у себя наших старых партнеров и ждем новых.
Доставка во все регионы России!
|
 |
 |
|
|