 |

Мотор-редуктор МЧ2-160
НАЗНАЧЕНИЕ:
Мотор-редукторы червячные двухступенчатые МЧ2-160 (далее мотор-редукторы) предназначены для работы в качестве приводов общемашиностроительного применения.
Условия применения:
-
нагрузка постоянная и переменная (в пределах номинального крутящего момента);
-
вращение выходного вала в любую сторону без предпочтительности;
-
климатические исполнения У3 и Т2 по
ГОСТ 15150-69
при работе на высоте над уровнем моря до 1000м., допускается работа мотор-редуктора на высоте более 1000 м над уровнем моря при соблюдении требований ГОСТ 183-74;
-
внешняя среда–неагрессивная, невзрывоопасная, с содержанием непроводящей пыли до 10мг/м3;
Мотор-редукторы предназначены для работы от сети переменного тока частотой 50Гц или 60Гц, напряжением 220В или 380В или, по согласованию с потребителем, на другие стандартные напряжения.
РИС.1
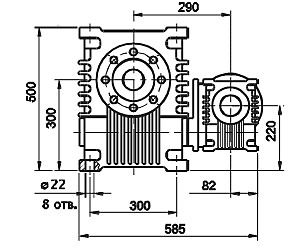
Габаритные и присоединительные размеры.
РИС.2
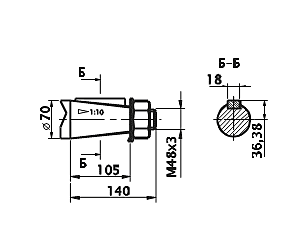
Исполнения выходного вала.
РИС.3
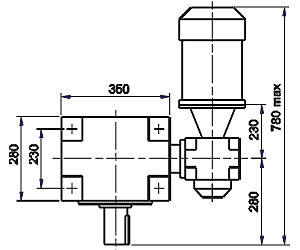
Схемы сборки мотор-редукторов.
РИС.4
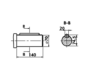
Вариант сборки червячных пар.
ТЕХНИЧЕСКИЕ ХАРАКТЕРИСТИКИ:
ПАРАМЕТР |
ПЕРЕДАТОЧНОЕ ЧИСЛО ОБЩЕЕ |
100 |
125 |
160 |
200 |
250 |
400 |
630 |
1000 |
1600 |
2500 |
4000 |
Номинальный крутящий момент на выходном валу,
Н.м
при ПВ>63% |
1440 |
1970 |
1670 |
1710 |
1750 |
1985 |
2090 |
2210 |
2315 |
2055 |
1350 |
при ПВ<63% |
1800 |
2465 |
2090 |
2140 |
2190 |
2480 |
2610 |
2760 |
2895 |
2570 |
1690 |
при ПВ=40% |
1800 |
2465 |
2090 |
2140 |
2190 |
2480 |
2610 |
2760 |
2895 |
2570 |
1690 |
при ПВ=25% |
2160 |
2525 |
2508 |
2570 |
2630 |
2980 |
3130 |
3310 |
3470 |
3085 |
2030 |
при ПВ=16% |
2160 |
2525 |
3170 |
3210 |
3285 |
3720 |
3600 |
3750 |
4180 |
3855 |
2535 |
КПД, %s
при ПВ>63% |
77 |
74 |
73 |
68 |
65 |
60 |
55 |
50 |
35 |
30 |
22 |
Термическая мощность, кВт
при ПВ>63% |
3,15 |
3,15 |
3,15 |
3,47 |
2,90 |
2,90 |
2,05 |
1,24 |
1,09 |
0,92 |
0,92 |
Тип электродвигателя серии АИР |
100L4 |
100L4 |
100L4 |
100L4 |
100S4 |
90L4 |
80B4 |
80A4 |
80A4 |
71B4 |
71A4 |
Мощность эл./дв, [кВт] |
4,0 |
4,0 |
4,0 |
4,0 |
3,0 |
2.2 |
1.5 |
1,1 |
1,1 |
0,75 |
0,55 |
Номинальная частота вращения выходного вала, об/мин |
14,0 |
11,2 |
8,8 |
7,0 |
5,6 |
3,5 |
2,2 |
1,4 |
0,88 |
0,56 |
0,35 |
ПРИМЕР УСЛОВНОГО ОБОЗНАЧЕНИЯ В ЗАКАЗЕ:
Мотор-редуктор МЧ2-160-250-6-12-21-Ц-У2, что означает:
- МЧ2 – мотор-редуктор червячный двухступенчатый;
- 160 – межосевое расстояние, мм;
- 250 – номинальное передаточное число;
- 6 – номинальная частота вращения выходного вала, об/мин;
- 12 – вариант сборки;
- Ц – исполнение с цилиндрическим выходным валом;
- У – климатическое исполнение;
- 2 – категория размещения.
Приводная техника (мотор-редукторы, преобразователи частоты и устройства плавного пуска) отправляется покупателю транспортной компанией. По всем вопросам обращаться в офис.
Мы всегда рады видеть у себя наших старых партнеров и ждем новых.
Доставка во все регионы России!
|
 |